discus

dram16byte.sch schematic

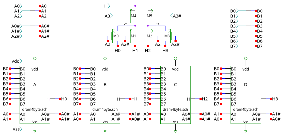
dram16byte.sch

Gates in dram16byte.sch

dram4byte