discus

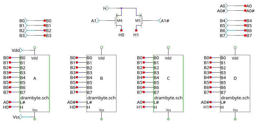
dram4byte.sch schematic

dram4byte.sch

Gates in dram4byte.sch

drambyte