discus

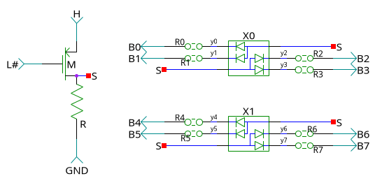
rombyte.sch schematic

rombyte.sch