discus

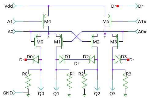
fourpd.sch schematic

fourpd.sch